модуль 8DI8DO SVIT _ для підключення дискретних датчиків та керування
Хіт

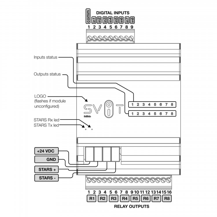
8DI8DO SVIT
Модуль дискретних входів та релейних дискретних виходів.
Призначений для підключення дискретних датчиків та керування дискретними пристроями (освітлення, вентилятори, розетки тощо)
Загальна інформація
Бренд
SVIT
Модель
8DI8DO
Країна бренду
Україна
Країна виробник
Україна
Особливості
Виходи
Кількість релейних виходів: 8 шт;
Максимальна напруга комутації: сухий контакт, 250 В змінного струму, 30 В постійного струму;
Тип контакту: Нормально відкритий (NO);
Максимальний струм каналу: 8 А;
Максимальний струм модуля: 40 А;
Максимальний пусковий струм: 117 А;
Входи
Кількість дискретних входів: 8 шт;
Тип входів: Сухий контакт, Мінімальна тривалість імпульсу: 30 мс
Живлення
24 V DC (постійний струм)
Енергоспоживання
6 W (max)
Ступінь захисту
IP20
Інтерфейси
STARS interface
Розміри
Розмір (DIN)
4 модуля
Розміри
70 x 107 x 61 mm
Вага
300 г

Завітайте до нашого шоурума
Ви можете переглянути продукцію на власні очі. Ми знаходимось в Києві за адресою вул. Шота Руставелі 32. Узгоджуйте наявність продукції та час приїзду з менеджером за телефоном +38 (097)-208-00-88, або в соціальних мережах

